Комплект поставки
-Разъединитель-предохранитель (тип в зависимости от заказа).
-Привод для управления аппаратом.
-Комплект метизов для подключения проводников.
-Паспорт.
-Руководство по эксплуатации (1 экз. на партию аппаратов одного типоисполнения).
Плавкие вставки в комплект поставки аппаратов не входят и поставляются по отдельному заказу.
Назначение
Разъединители-предохранители серии РП (далее аппараты) на номинальные токи 100, 250, 400, 630А, с ручными приводами зависимого действия предназначены для пропускания номинальных токов, включения и отключения без нагрузки и защиты электрических цепей переменного тока частотой 50Гц, напряжением 380В.
Конструкция
Аппараты представляет собой трехполюсный разъединитель, к каждому полюсу которого последовательно подключен плавкий предохранитель, образующий с разъединителем единое устройство на общем основании.
Основание аппаратов на номинальный ток 630А изготовлено из изоляционного материала — текстолита. Аппараты на номинальный ток 100÷400А изготовлены на металлическом основании с установкой на него фарфоровых изоляторов А-632.
Аппараты имеют по одному ряду совмещённых и контактных стоек. Необходимое нажатие на контактных стойках обеспечивается пружинными кольцами, на совмещённых — сферическими шайбами.
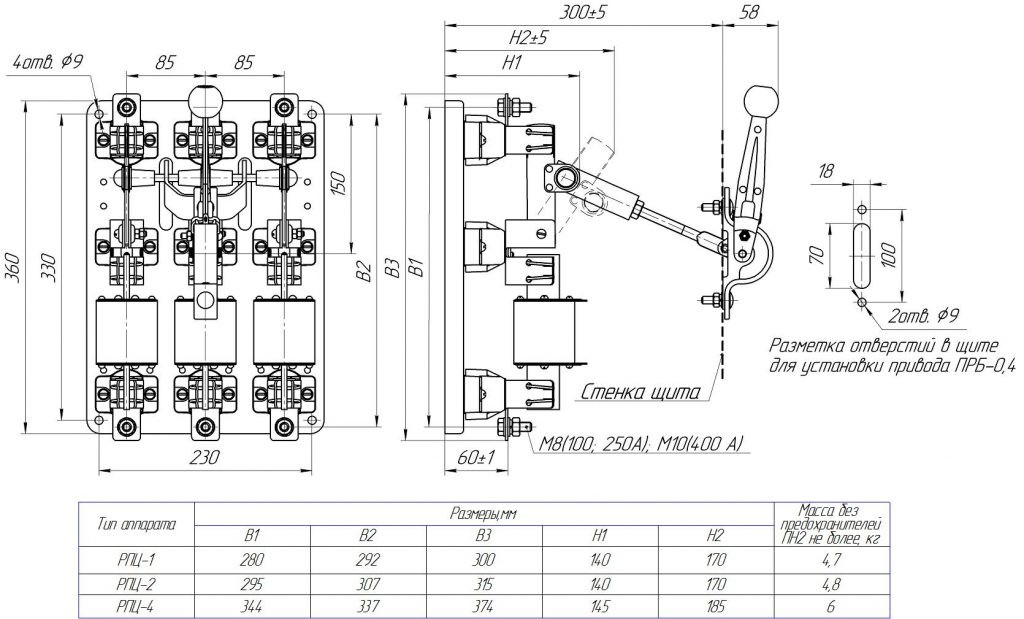
У аппаратов с боковым смещенным приводом контактные ножи связаны осью, приводящейся в движение посредством симметрично расположенных по длине тяг, второй конец которых шарнирно соединён с валом. Вал приводится во вращение боковой съёмной рукояткой (или приводом), устанавливаемой на одном его конце. Аппараты с центральным расположением привода приводятся в движение скобой связанной с осью контактных ножей.
Конструкция контактных выводов обеспечивает присоединение как медных, так и алюминиевых проводников и шин.
Условия эксплуатации
-Высота над уровнем моря не более 2000 м.
-Температура окружающего воздуха от -45 до +40˚С.
-Относительная влажность воздуха не более 50% при температуре 40˚С.
-Группа условий эксплуатации М1 по ГОСТ 17516.1-90.
-Степень загрязнения окружающей среды – 3 по ГОСТ Р 50030.3-99.
-Установленный срок службы 8,5 лет.
-Срок гарантии устанавливается три года со дня ввода в эксплуатацию, но не более 3,5 лет со дня отгрузки, при соблюдении условий транспортирования, хранения, монтажа и эксплуатации.
-Рабочее положение — вертикальное с отклонением в любую сторону не более 5˚.
Технические характеристики
| Параметры |
РПС-1 РПБ-1 РПЦ-1 |
РПС-2 РПБ-2 РПЦ-2 |
РПС-4 РПБ-4 РПЦ-4 |
РПС-6 РПБ-6 РПЦ-6 |
||
| Номинальное рабочее напряжение Ue, В | ~ 380 | |||||
| Номинальное напряжение изоляции Ui, В | ~ 660 | |||||
| Номинальная частота, Гц | 50 | |||||
| Номинальный рабочий ток Ie, А | 100 | 250 | 400 | 630 | ||
| Категория применения | АС-20В | |||||
|
Класс защиты от поражения электрическим током по ГОСТ 12.2.007.0 |
0 | |||||
| Степень защиты по ГОСТ 14254 | IP00 | |||||
| Номинальный режим работы | продолжительный | |||||
|
Номинальная включающая и отключающая способность при U=1,05Ue, I=1.5Ie, cosφ=0,95, циклов ВО |
10 | |||||
| Тип встраиваемых предохранителей | ПН2-100 | ПН2-200 | ПН2-400 | ППН-39 | ||
| Номинальный ток плавких вставок предохранителей | 100 | 250 | 400 | 630 | ||
| Максимальные потери мощности плавких вставок, Вт | 16 | 34 | 56 | 48 | ||
| Номинальный условный ток короткого замыкания, кА | 20 | 20 | 30 | 40 | ||
|
Механическая износостойкость аппаратов (циклы ВО), не менее |
2500 | |||||
| Присоединение для контактных выводов | М8 | М8 | М10 | М12 | ||
| Расположение контактных выводов относительно плоскости монтажа | Параллельное |
Перпенди- кулярное |
||||
| Максимальное количество и сечение присоединяемых проводников, мм2 | 2х50 | 2х70 | 2х120 | 4х120 | ||



