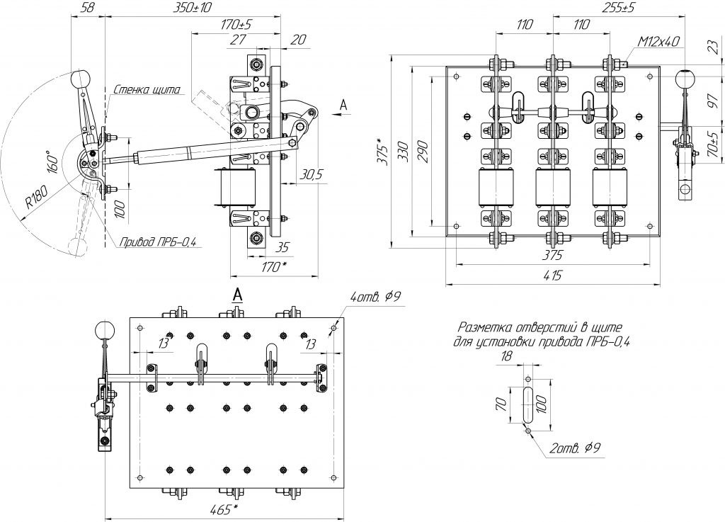
Рубильник РПС-6/Л без п/в,с ПРЦ-0,4 (текстолит) купить в Минске по выгодной цене