Характеристики
Серия
?
Серия - это ряд однородных товаров, изготовленных по одному стандарту (образцу). Товары одной серии являются одинаковыми по размеру, цвету, составу, качеству, сроку годности
—
AR
Исполнение дифф. расцепителя
—
электро-механический
- EAN-код 9004840566758
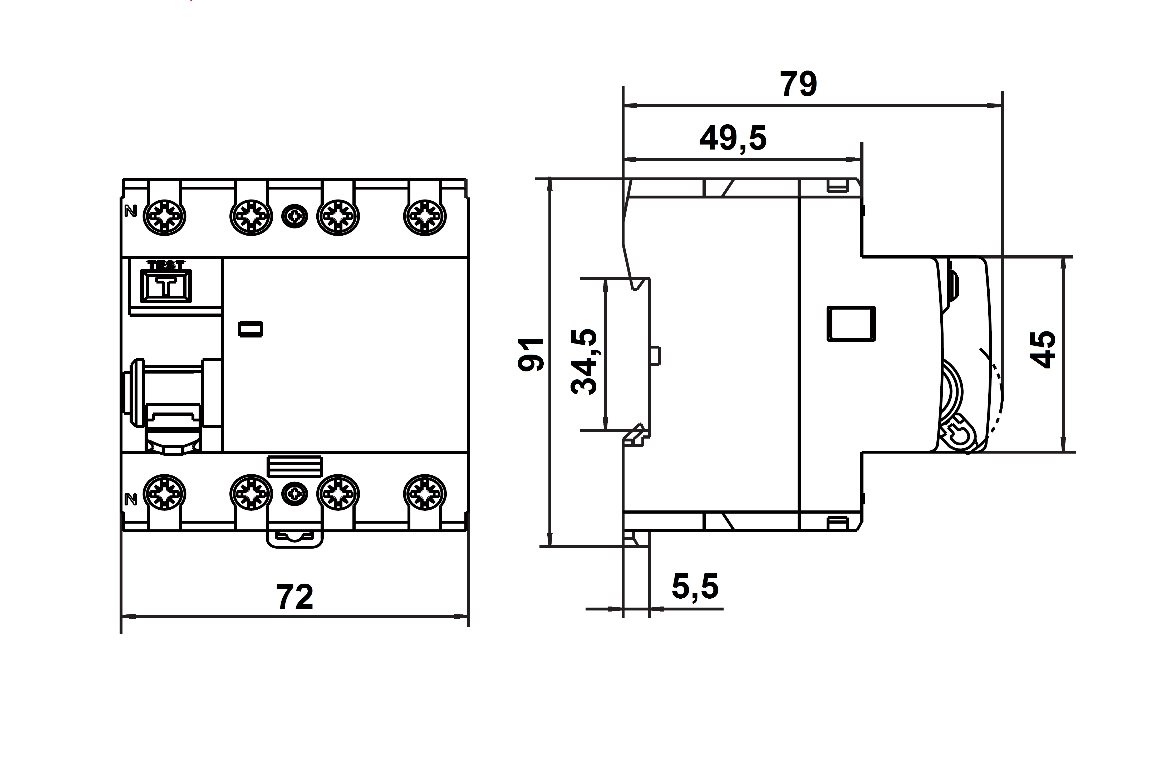
- Длинна нетто 49,50мм
- Ширина нетто 72,00мм
- Высота нетто 84,00мм
- Вес нетто 0,37кг
- Потеря мощности 17,00W
- мин. температура окружающей среды -25°C
- макс. температура окружающей среды 60°C
- Номинальный ток 40A
- Rated sensitivity IΔn 30mA
- Сила тока 40A
- Полюс N+3
- Ток срабатывания 30mA
- Тип B (чувствителен к любому току)
- Коммутирующая способность 10kA
- Норма EN 61008-1, EN 62423
- Производитель Schrack
- Упаковка 1 шт., 45 шт.
УЗО типа B — купить для защиты сложных нагрузок
Устройство защитного отключения типа B создано для ситуаций, где стандартные дифавтоматы не справляются: оно реагирует не только на синусоидальные утечки, но и на сложные пульсирующие и постоянные составляющие тока утечки. Такое УЗО применяется в сетях с частотными преобразователями, серверным, медицинским и промышленным оборудованием, где могут появляться нелинейные и сложные формы тока.Особенности УЗО типа B
УЗО типа B обладает расширенной чувствительностью и широким спектром срабатывания, что обеспечивает высокую степень защиты:- реагирует на переменный и постоянный ток утечки;
- совместимо со сложными нагрузками (частотники, инверторы, ИБП);
- подходит для бытовых, коммерческих и промышленных сетей;
- монтируется на DIN рейку, легко интегрируется в щиток.
Где применяется УЗО типа B
- распределительные щиты с частотными преобразователями;
- линии питания ИБП и серверных шкафов;
- медицинское оборудование и диагностические комплексы;
- промышленные объекты с двигателями и приводами;
- современные офисные и коммерческие установки с активной электроникой.
Купить УЗО типа B в ООО «ПРОМИРА»
На Promira.by можно купить узо тип B с гарантией качества и технической поддержкой. ООО «ПРОМИРА» предлагает сертифицированные устройства по выгодным условиям, быструю доставку по Минску и всей Беларуси, а также помощь в подборе защитного оборудования под вашу схему. Оформите заказ онлайн или получите консультацию специалиста — мы поможем подобрать оптимальный вариант для вашего объекта.
Документы
|
Серия
? Серия - это ряд однородных товаров, изготовленных по одному стандарту (образцу). Товары одной серии являются одинаковыми по размеру, цвету, составу, качеству, сроку годности |
AR |
|
Исполнение дифф. расцепителя
|
электро-механический |
⚠️ Обращаем внимание: продажа осуществляется только юридическим лицам и индивидуальным предпринимателям по безналичному расчёту.
🚚Доставка
Мы предлагаем несколько удобных вариантов получения товара:
- 1. Самовывоз со склада в Минске
Заберите заказ в удобное для вас время по адресу: Минская обл., Минский р-н, д. Боровляны, ул. 40 лет Победы, д. 14А..
🕐 Время работы склада:
понедельник–пятница — с 9:00 до 17:00
(выдача заказов осуществляется по предварительному согласованию с менеджером) - 2. Доставка по всей Беларуси Осуществляем доставку транспортом компании или через службы доставки — в любой регион страны.
- 3. Бесплатная доставка
— При заказе от 500 BYN — по Минску и в пределах 10 км МКАД
— При заказе от 1000 BYN — по территории Республики Беларусь
С этим товаром покупают

